P6005冷水機循環泵(12v/24v)
電壓: 24V
揚程: 0-11m
噪音: ≤45dB(A)
調速方式:
IP等級: IP67
功能: 缺水保護
介質溫度: 0-70℃
產品應用: | 產品特征: |
■中、小型激光冷水機 | ■重量:0.36kg |
■美容儀器,醫療設備 | ■防護等級:IP67 |
■LED冷卻,半導體制冷 | ■絕緣等級:F級 |
■其它需要增壓及循環制冷的設備 | ■使用壽命:20000小時 |
| ■調速方式:可定制
|
使用條件: | 特點: |
■環境溫度:-25 - 70℃ | ■采用無刷電機,體積小 |
■介質溫度:0-70℃ | ■高楊程 |
■介質:清水 | ■壽命長 |
| ■使用場所:室內 | ■低功耗 |
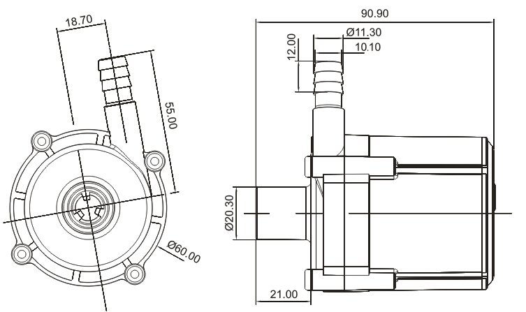
| 外觀尺寸: |
![]() |
|
曲線圖: |
![]() |
| 額定電壓 | 使用電壓范圍 | 額定電流 | 最大揚程 | 最大流量 | 額定功率 | 最大噪音 |
| V | V | A | m | L/min | W | dB(A) |
| 12 | 8-20 | 3 | 8 | 17 | 36 | ≤40 |
| 24 | 12-30 | 2.2 | 11 | 20 | 53 | ≤45 |




深鵬水泵-張先生
深鵬科技 - 張先生